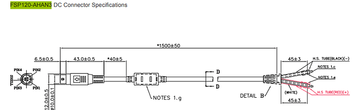
If you are looking for information regarding the connector type of the FSP120-AHAN3 power adapter, please refer to the details below:
According to FSP, there is no revision or Product Change Notification (PCN) associated with a connector change. The current datasheet on FSP’s official website reflects the standard DC connector that is currently in production.
Product Sheet_Adapter_FSP120-AHAN3-202108
FSP120-AHA.pdf (177.2 KB)
This connector is not identified by name by FSP, and can vary depending on the manufacturer’s decisions. If you’re having trouble identifying your specific device, please contact DigiKey Applications Engineering.
Applicable Part Numbers
| DigiKey Part Number | Manufacturer Part Number |
|---|---|
| 2967-FSP120-ABAN3-ND | FSP120-ABAN3 |
| 2967-FSP120-AHAN3-ND | FSP120-AHAN3 |
| 2967-FSP120-AAAN3-ND | FSP120-AAAN3 |
| 2967-FSP120-ABBU3-ND | FSP120-ABBU3 |
| 2967-FSP120-AWAN3-ND | FSP120-AWAN3 |
| 2967-FSP120-AFAN3-ND | FSP120-AFAN3 |
