From a Jamo SW 1008 subwoofer. Q201.
Hi @swhitehill ,
As Jamo is seemingly primarily using European components (EECA Numbering Coding System), would guess that this is a BSR56 J-FET.
It would help if you could add a high quality photo of the PCB where the transistor was seated to.
Cheers, heke
Hi @swhitehill ,
Thanks for the pics. Found some other Jamo schematics that seems to incorporate similar circuit for attenuating audio when there is no AC.
Found here: https://audiocircuit.dk/downloads/jamo/Jamo-E8SUB-sub-sch.pdf
Cheers, heke
I present for your consideration Texas Instruments Part Number TLV75725PDRVR
Part pictured features the marking 1HMH
Thanks for the quick reply. Ours is shorted between output and ground.
Hi @swhitehill ,
How do you measure that short? If you measure it while LDO is disabled (EN is low) that is an expected result. The LDO has “discharge” feature, which discharges the output capacitor when LDO is disabled (120 ohms to ground). Short while powered (i.e. no output voltage) may suggest that something at the load is shorted. LDOs rarely short internally to ground due to damage.
Cheers, heke
I compared it to the same part on a known good working main board in a Samsung UN55TU690.
Hi @swhitehill ,
Thanks.
There are several reasons why LDO output may be “short” and in most cases the cause is somewhere else. You could try replacing the LDO first, though.
Before that, measure that the pin 4 (EN) has 1 volt or more applied.
Cheers, heke
The short was still there after removing these 4 capacitors and one diode.
We need a recommendation for a rotary Encoder. Customer complains that the volume goes full blast, intermittently
at turn on and/or while running. I have not been able to duplicate the problem yet, but I did clean the control with
Deoxit F5 fader lube. Maybe it’s a volume control IC instead. OEM part number for S901 is HSR2A031Z. I include the
Service manual and a picture of the control opened up to see.
AG-790A SM.pdf (8.47 MB)
I cant verify this encoder. Can you provide more photos along with the dimensions of the part? Could you provide a photo of the pin layout as well?
The memory of the system this is in should be saving what volume it was set when turned off. The symptom does not necessarily indicate a problem with the encoder itself. All the encoder does is tell you if it’s moving clockwise or counterclock wise at the current moment, it is up to the controls to remember (save) where it has moved.
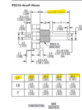
PEC16-4015F-N0024-ND looks close, but I have to measure the shaft length.
Looks like about 20mm to me, though that image is angled, so I can’t say for certain.
Here’s the datasheet link for that part, and here’s the diagram showing how they measure the shaft length, “L1”:
If it is 20mm, and assuming that the PEC16 is the right series, that would imply that the PEC16-4020F-N0024 is the right shaft length.
Unfortunately, we’re out of stock on that particular one at this moment. Current info states that it’s likely available some time next month. If you didn’t want to wait, one could do a little surgery and lop off the last 5mm of the shaft of the 25mm shaft PEC16-4025F-N0024 and make that work.













