Using this power supply to replace a SP-300-48. The SPV has two terminals that the original doesn’t have. RC and PV. What do I do with these terminals if I just want continuous output from the power supply? It doesn’t work with these terminals floating.
Looking over the PDF data-sheet, I am not seeing “PV” listed on page 3. Could you clarify which termination you are referencing?
Thats the wrong one. Its a SPV not MSP.
SPV-300-spec.pdf (187.5 KB)
It looks like there is confusion for your original power supply. When entering SP-300-48 on Digi-Key there is a MeanWell power supply that is MSP-300-48. It looks like your original power supply is a Arndt Electronics power supply which we do not carry.
Looking at pg 3, PV will need to be connected to V- with a pot to set the voltage.
Hi @EmiAudio,
RC Terminal (Remote Control) can float or be tied to 0 volts to remain on:
![]()
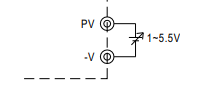
I believe is the voltage difference between the PV terminal and the -V terminal is the +1v ~ +5.5v which can be shorted, run through potentiometer, or supplied by an external voltage source in order to turn the supply ON (locally or remotely):
![]()


Yeah, you have to supply an external control voltage to the PV terminal. This isn’t going to work.
Hi @EmiAudio ,
Thank you for your reply. Using a pot, or simply shorting out the PV and -V terminals should work to turn on the supply. If this does not work, one of below options may be a better fit for you, please review datasheet before ordering to make sure it meets your criteria:
Click here for 1866-4270-ND | 1145-1154-ND | 1866-2722-ND | 1145-1154-ND | 1866-HRP-300N-48-ND | 1866-4270-ND | 102-VGS-350C-48-ND | 1866-3350-ND
-Please let us know if you have any further questions.
I tried shorting the terminals as described and also tried different values of resistors. The power comes up for a second then collapses. I’m pretty sure you need an external power source of like 1-5v to get it working. Will I be able to return this part for credit?
Thanks for the suggestions. I’ll look them over.
Hello @EmiAudio ,
I forgot to mention something very basic, these power supplies usually have a little red switch on them for selecting either 120v or 220v input, and are usually factory set to 220v, please make sure this switch is set correctly.
Regarding a return, please see: https://www.digikey.com/mydigikey/returns