前回の記事では、「電力スイッチングと制御におけるMOSFET駆動トポロジ」と「効率的なMOSFET駆動技術:高速スイッチングのためのプッシュプルおよびブートストラップトポロジ 」でMOSFET駆動トポロジを説明しました。
電気的絶縁、高電圧処理、および双方向電流制御を必要とするパワーエレクトロニクスアプリケーションでは、光絶縁駆動およびブリッジ駆動トポロジが重要な役割を果たします。これらの高度な駆動方式は、モータ駆動、インバータ、高電圧パワーモジュールなどのシステムにおいて、安全で信頼性の高い性能を確保するのに役立ちます。この記事では、これら2つの高度な駆動方式の設計原理、利点、制約、および代表的な応用例を説明します。
1. 光絶縁駆動
光絶縁駆動は、MOSFETのゲートに接続されたオプトカプラを用いて、ロジック側と電力側を電気的に絶縁します。多くの場合、絶縁ゲートドライバと組み合わせて使用されます。
産業用制御、パワーモジュール、モータードライブ、高電圧システム(60V以上)、および安全性重視のアプリケーションに適しています。
利点
光絶縁駆動の利点は以下のとおりです。
- 制御側と電源側を完全に電気的に絶縁
- 強化されたノイズ耐性と静電気放電(ESD)保護
- 高電圧、過酷な環境に対応
欠点
- 回路の複雑化とコストアップ
- オプトカプラの性能による伝送遅延や帯域幅の制限
設計上の考慮事項
光絶縁駆動の設計においては、
-
専用のゲート駆動オプトカプラを使用
onsemiの FOD3182 やBroadcomの HCPL-3180 など、MOSFET駆動用に特別に設計されたオプトカプラをご使用ください。これらのカプラは、MOSFETゲートを素早く充放電するのに十分な出力電流を供給します。 -
バッファアンプの追加
オプトカプラの出力電流が不足する場合は、バッファアンプ(ダーリントンペアやMOSFETドライバICなど)を追加して駆動電流を高めてください。 -
ゲート抵抗の挿入
適切なゲート抵抗を設計する必要があります。オプトカプラの出力とMOSFETのゲート間に適切な抵抗を追加することで、スイッチング速度を制御し、発振と電磁干渉(EMI)を抑制することができます。
抵抗値の選択は、スイッチング速度と電磁干渉のバランスを取る必要があります。 -
ゲートプルダウン抵抗の追加
MOSFETのゲートとソースの間にプルダウン抵抗を追加することで、オプトカプラが導通していないときにMOSFETがオフ状態を維持し、フローティングゲートによる誤ったターンオンを防ぎます。 -
オプトカプラのスイッチング速度
オプトカプラのスイッチング速度は回路全体の応答速度に影響するため、高周波スイッチングアプリケーションの要求を満たすには、立ち上がり時間と立ち下がり時間の速いオプトカプラを選択する必要があります。
例:オプトカプラ FOD3182 を用いた光絶縁MOSFET駆動回路
この構成では、オプトカプラが絶縁を提供し、電流ブーストステージを通してゲートを駆動します。適切な抵抗の選択とレイアウトの実施により、ノイズの多い環境や高電圧環境でも信頼性の高い動作が保証されます。
推奨IC
フルブリッジ/ハーフブリッジ駆動
フルブリッジ/ハーフブリッジ駆動構造は、4個または2個のN-MOSFET(フルブリッジ:4個のMOSFET、ハーフブリッジ:2個のMOSFET)を使用して双方向電流を制御するもので、DCモータの正逆制御、インバータ、UPSシステムなどでよく見られます。
モータ制御(DC、ステッピング)、電力インバータ、回生ブレーキシステムなどのアプリケーションに適しています。
利点
フルブリッジ/ハーフブリッジ駆動には次のような利点があります。
- 電流を双方向に制御
- モータの正逆制御、エネルギー回収に対応
- 高いスイッチング効率
欠点
- 複雑な制御と設計の複雑化
- 高精度なデッドタイム制御の必要性
- ハイサイドMOSFETのブートストラップまたは絶縁駆動の必要性
設計上の考慮事項
フルブリッジ/ハーフブリッジ駆動の設計において、
-
1. 貫通電流の防止
フルブリッジとハーフブリッジのどちらのトポロジでも、電源の短絡を避けるために、上下のMOSFETが同時に導通しないようにする必要があります。これは通常、適切なデッドタイムを設定することで実現されます。 -
2. ブートストラップ駆動回路の使用
ハイサイドMOSFETの駆動は通常ブートストラップ回路に依存しているため、ブートストラップコンデンサの容量を十分に確保することと、ハイサイドMOSFETの確実な導通を確保するために順方向電圧降下の低いダイオードを選択することが重要です。 -
3. スイッチング速度の制御
過度に高速なスイッチングは、電磁干渉(EMI)や発振の原因となります。ゲート抵抗の値を調整することにより、スイッチング速度を制御してEMIを低減することができます。 -
4.プリント基板のレイアウト
適切なプリント基板のレイアウトは、寄生インダクタンスと寄生キャパシタンスを最小化し、ドライブ信号の完全性を確保し、不適切なレイアウトによるEMI問題を回避します。
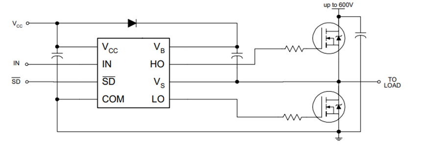
IR2104 によるハーフブリッジ駆動回路の例
上記の例では、ハーフブリッジ駆動回路はInfineonの IR2104 を使用し、単一の入力信号でハイサイドとローサイドの両アームを制御します。このICは内蔵デッドタイム機能を備えています。適切なスイッチング速度とデッドタイムにおいて互換性のあるMOSFETを選択してください。
ハーフブリッジ駆動は同期式DC/DC整流で一般的に使用され、モータ制御やインバータでは2つのハーフブリッジでフルブリッジを構成して使用されることがよくあります。
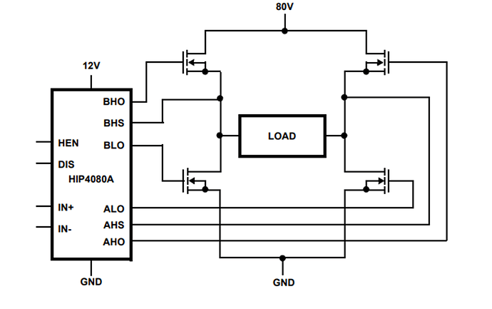
Renesasの HIP4080A によるフルブリッジ駆動回路の例
HIP4080A を用いたフルブリッジ駆動回路
4つのブリッジアームを4つの入力で個別に制御することも、2つの入力を使って4つのブリッジアームすべてを制御することもできます。インバータを追加した場合、4つのブリッジアームを制御するために必要なPWM信号は1つだけとなり、デッドタイムはDELピンで設定できます。
フルブリッジは一般に、単方向インバータや、速度と方向の制御が必要なDCモータの駆動に使用されます。
駆動トポロジの比較表
| 駆動トポロジ | 適用シナリオ | 利点 | 欠点 | 主なICソリューション |
|---|---|---|---|---|
| オプトカプラ | 高電圧絶縁、 モータ制御、 電力変換器 |
電気的絶縁、制御回路保護 | 遅い駆動速度、 オプトカプラ の速度制約 |
Broadcom HCPL-3180、onsemi FOD3182 |
| フルブリッジ/ハーフブリッジ | 大電力アプリ ケーション、 インバータ、DC/ACコン バータ |
双方向電力制御 | 高精度なデッドタイム制御が 必要 |
TI DRV8412、 Infineon IR2104、 Renesas HIP4080A |
まとめ
さまざまなMOSFET回路設計トポロジを徹底的に検討した結果、適切な回路設計トポロジを選択し、正しい設計技術を習得することが、システムの安定性、スイッチング効率、および安全性を確保するための鍵となることが明らかになりました。単純なローサイド駆動回路であれ、複雑なフルブリッジ回路であれ、設計者は実際のアプリケーション要件に基づいて、電圧・電流仕様、スイッチング周波数、駆動能力、保護機構などの要素を慎重に検討する必要があります。.
ブートストラップの原理、デッドタイム制御、駆動電流の整合、絶縁保護などの技術を習得することで、駆動効率を大幅に向上させ、MOSFETとシステムの寿命を効果的に延ばすことができます。
パワーエレクトロニクスとインテリジェント制御のアプリケーションが拡大し続けるにつれて、MOSFET駆動技術も進化し、さらなる可能性をもたらすでしょう。これらの設計技術を駆使して、より効率的で信頼性の高いインテリジェントな電子システムを実現しましょう!
関連記事
効率的なMOSFET駆動技術:高速スイッチングのためのプッシュプルおよびブートストラップトポロジ
電力スイッチングおよび制御におけるMOSFET駆動トポロジ
適用品番
| DigiKey品番 | メーカー品番 | |
|---|---|---|
| 516-1675-5-ND | HCPL-3180-300E | |
| 516-1674-5-ND | HCPL-3180-000E | |
| 516-3778-2–ND、 516-3778-1–ND、 516-3778-6-ND |
HCPL-3180-500E | |
| HCPL-3180-ND | HCPL-3180 | |
| 516-2712-5-ND | HCPL-3180-060E | |
| HCPL-3180-560E-ND | HCPL-3180-560E | |
| 516-2713-5-ND | HCPL-3180-360E | |
| HCPL-3180-500-ND | HCPL-3180-500 | |
| HCPL-3180-300-ND | HCPL-3180-300 | |
| HCPL-3180-560-ND | HCPL-3180-560 | |
| HCPL-3180-360-ND | HCPL-3180-360 | |
| HCPL-3180-060-ND | HCPL-3180-060 | |
| FOD3182-ND | FOD3182 | |
| FOD3182S-ND | FOD3182S | |
| FOD3182SDVTR–ND、 FOD3182SDVCT–ND、 FOD3182SDVDKR-ND |
FOD3182SDV | |
| FOD3182SV-ND | FOD3182SV | |
| FOD3182V-ND | FOD3182V | |
| FOD3182SDTR–ND、 FOD3182SDCT–ND、 FOD3182SDDKR-ND |
FOD3182SD | |
| FOD3182TSR2VTR–ND、 FOD3182TSR2VCT–ND、 FOD3182TSR2VDKR-ND |
FOD3182TSR2V | |
| FOD3182TV-ND | FOD3182TV | |
| FOD3182TSV-ND | FOD3182TSV | |
| FOD3182TSR2TR-ND | FOD3182TSR2 | |
| IR2104SPBFTR–ND、 IR2104SPBFCT–ND、 IR2104SPBFDKR-ND |
IR2104STRPBF | |
| IR2104SPBF-ND | IR2104SPBF | |
| IR2104PBF-ND | IR2104PBF | |
| IR2104S-ND | IR2104S | |
| IR2104-ND | IR2104 | |
| IR2104STR-ND | IR2104STR | |
| HIP4080AIBZTTR–ND、 HIP4080AIBZTCT–ND、 HIP4080AIBZTDKR-ND |
HIP4080AIBZT | |
| HIP4080AIBZ-ND | HIP4080AIBZ | |
| HIP4080AIPZ-ND | HIP4080AIPZ | |
| HIP4080AIB-ND | HIP4080AIB | |
| HIP4080AIP-ND | HIP4080AIP | |
| HIP4080AIBT-ND | HIP4080AIBT | |
| 296-25561-2–ND、 296-25561-1–ND、 296-25561-6-ND |
DRV8412DDWR | |
| 296-33276-5-ND | DRV8412DDW |





