Need help identifying diodes

Could I get some help identifing these three diffrent diodes? They are all 2mm long by 1.25 mm wide. Surface mounted componets. Below is the voltage measured for each of them.
198: .743 V
WX: .733 V
A2: .615 V

Any information would be greatly appreciated.



Add images

Hello kenneth.hillen
Need a clear photo of 198 without lacquer.

Check this one:
WX - BZT52C2V4
A2 - 1N4148WS

2 Likes

Hello @kenneth.hillen

Welcome to the TechForum

I was not able to find anything for the 198 chip just like Adam7 suggest if we could get a clear photo without the lacquer it may help in finding that chip

For the WX I had found part number BZT52C2V4S-7-F Diodes Incorporated | Discrete Semiconductor Products | DigiKey
For the A2 I had found part number 1N4148WS-AU_R1_000A1 Panjit International Inc. | Discrete Semiconductor Products | DigiKey

2 Likes

I got a better picture of the 198 diode for you guys. Its actaully not a 198, the diode marking line just looked like a 1. I am assuming the rest is 98, that is the best picture I can get. Thank you guys so much for your help. I appreciate it.

kenneth.hillen,
This is not 98.
You need to turn the photo over and you will see 86.
Your diode (86) is called - BAT54JFILM

3 Likes

You guys are awsome, thank you so much. I’ll reach out again if I have any other questions.

You are Welcome! :handshake:

Hey do you think you could help me out with this one? I am slowing starting to work through all of the componets on this board that I am finding bad.

Hello @kenneth.hillen

From what I have found for part marking CP, part number BZT52-C20J Nexperia USA Inc. | Discrete Semiconductor Products | DigiKey would match the part marking and sizing you had given.

1 Like

To me, that looks like an “e” rather than a “c”, but I could be wrong. If it is an “e”, here are similar parts with an “EP” marking:

BZX585-B51,115. 51V zener diode in SC-79/SOD-523 package.

CMDZ3L0 TR PBFREE 3.0V Zener diode in SC-76/SOD-323 package


We don’t have any stock on the CMDZ3L0 TR PBFREE, so here are alternatives for this package size with comparable electrical specs:

1 Like


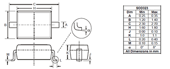
Do you guys think you could help me find this Componet. I think it might be a diode. It is 1.55MM long and 1.24MM wide. It looks like DP lettering on the componet. You guys have been killing it finsing these so this one should be a cake walk.

I would say a diode is right, but I can’t confirm for sure. I’m thinking one of our engineers will have a better idea.

Please do not hesitate to contact us if you have any questions or concerns.

Jeff Aakhus
Electronics Technician
P 800.344.4539 x 12063
digikey.com

Would some measurments from a multi meter be able to give you some more information?

Hi kenneth.hillen,

Those dimensions indicate an SOD-323 package just like the CMDZ3L0 mentioned above. From the same datasheet, the CMDZ2L8 TR PBFREE has the “DP” marking:

The CMDZ2L8 TR PBFREE is no longer available. The nearest part we have in stock at the moment in the same SOD-323 package is this one:

  • PZU2.7B2A-QX with a zener voltage rated between 2.65V and 2.9V
1 Like

Do you guys think you could help me find what this is? I think it is a diode but I am not sure. It is a very small componet.

Do you guys think you could help me find this componet? It is very small and I am pretty sure it is a Diode. Thank you guys so much you guys are really good at finding this stuff.

Hello, Kenneth.

This looks like an SOT-23 part, more likely to be a transistor or similar device than a diode. Unfortunately, the ‘EDNFL’ marking code doesn’t work as a whole or in part in any resource I can find. I’ll look into it and see what I can find.

Is that a “Q1” designation next to the part? If so, that means it’s a transistor. Unfortunately, I’m having no luck with this one.

EDIT: However, if it is not “Q1” or if they are not using standard designations, then it could possibly be the following:

XC6902NB91MR-G → Torex negative voltage regulator → -11.9V

See datasheet pages 2 and

Page 2:

Page 18:


A part like this would typically be used to provide the negative rail for an op-amp or some other device needing near -12V.

We do not list this particular part number in our system, though we do list the -12V version:

The only part that we stock which is remotely similar is the following:

  • XC6901DC01MR-G Torex SOT-25 5-pin negative voltage regulator → -12V

Unfortunately, it has a different pinout, so would be very difficult to retrofit. In addition to having a different pinout, it also requires a positive voltage on a Chip Enable pin to function.

2 Likes

You are correct that it does say “Q1” next to the part. I do think it is some sort of transistor becuase I have huntron signatures that disply opens at certain gates.