I’m having a hard time finding the square-type terminal connector pins used in a TE connector (Model 3-643820-3). I’ve attached a picture of one. Best I can tell is they might be an AMP micro JST-style, using 24AWG. These are attached to the 24AWG wires on a cooling fan. The wires “slide” into the groove to establish connection - I’m also looking for a tool to help do that.
The IDC contacts in 3-643820-3 are not meant to be removed. Click on link for the tools.
Ok, thank you Jeff. If I have a fan (Sanyo SAN ACE 80 9G0848G103) that has unterminated wires, how will I attach a 3-643820-3?
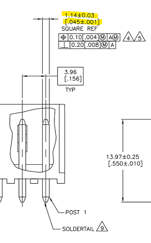
This document is the formal guide to application of the connectors in the product series to an appropriate wire material, and can be found linked from the manufacturer’s product page.
Since the formal methods suitable for production involve tooling costing several thousand dollars however, most people who only want to make a few informal connections will simply use an improvised tool such as a flat blade screwdriver of suitable size to press the wire(s) into place. Termination quality using this method is not assured of course, and any results or lack thereof are the user’s responsibility.
Very good, thank you Rick.
Can someone provide the part # for the square-type terminal connector pins used in a TE connector (Model 3-643820-3), the one in the picture above?
If referring to the contacts present in a mating connector such as the 640445-3 pictured below, these are also typically sold pre-assembled into the housing, rather than separately.
Note that within the DigiKey lexicon, a “connector assembly” generally references an item for which contacts are pre-installed or included, whereas a conector “housing” or “contact” refers to items where those components are sold separately.


